So, we have our strobe circuitry... now what?
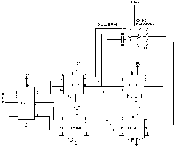
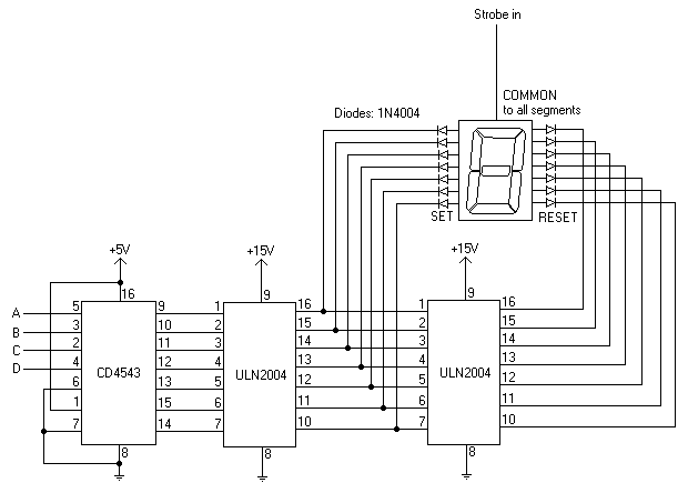
We need to make a circuit that will send data to the display now. This can be achieved using a CD4543 and some ULN Darlington arrays. Staver suggests using the ULN2004 for most display sizes. 18" and 24" displays will need a pair of ULN2067B arrays.
Also note, to reduce overdriving our strobe circuitry, make a transistor pair for each digit. This will ensure that all the power is not being loaded on a single strobe line. This will come in handy for builds with many display units.
Now, regarding the circuit, please take caution when handling the CD4543. It is a CMOS IC, and therefore is very sensitive to static discharge. One discharge into the IC can permanently damage the semiconductive material!
Connect the CD4543 as you normally would with a common cathode LED display. Pin 6 is connected to ground to configure it for a common cathode setup. Now, to interface it for the set and reset lines, place a Darlington array at the outputs. This will be your set signal array. Branch this off to another Darlington array for the reset signal array. Connect diodes (1N4004 for small displays, 1N5401 for 18" and larger) to the arrays, with the cathodes facing the Darlington outputs. Your circuit should look like either of the two below...
The CD4543 will output the following patterns as per the following table...
| Disp | 8 | 4 | 2 | 1 | a | b | c | d | e | f | g |
| 0 | 0 | 0 | 0 | 0 | 1 | 1 | 1 | 1 | 1 | 1 | 0 |
| 1 | 0 | 0 | 0 | 1 | 0 | 1 | 1 | 0 | 0 | 0 | 0 |
| 2 | 0 | 0 | 1 | 0 | 1 | 1 | 0 | 1 | 1 | 0 | 1 |
| 3 | 0 | 0 | 1 | 1 | 1 | 1 | 1 | 1 | 0 | 0 | 1 |
| 4 | 0 | 1 | 0 | 0 | 0 | 1 | 1 | 0 | 0 | 1 | 1 |
| 5 | 0 | 1 | 0 | 1 | 1 | 0 | 1 | 1 | 0 | 1 | 1 |
| 6 | 0 | 1 | 1 | 0 | 1 | 0 | 1 | 1 | 1 | 1 | 1 |
| 7 | 0 | 1 | 1 | 1 | 1 | 1 | 1 | 0 | 0 | 0 | 0 |
| 8 | 1 | 0 | 0 | 0 | 1 | 1 | 1 | 1 | 1 | 1 | 1 |
| 9 | 1 | 0 | 0 | 1 | 1 | 1 | 1 | 1 | 0 | 1 | 1 |
| Blank | 1 | 0 | 1 | X | 0 | 0 | 0 | 0 | 0 | 0 | 0 |
| Blank | 1 | 1 | X | X | 0 | 0 | 0 | 0 | 0 | 0 | 0 |
Therefore, you should see a pattern like shown in the image below...
To change the number, simply send a 4-bit binary address to the CD4543 and pulse the strobe line. The vanes should flip to form the desired number.