LCD Circuitry



LCD drive is more difficult than LED drive, as it requires an AC signal on the display to work. Raw DC signals will damage the display.

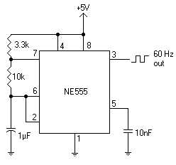
To start, we will need our clock base for the backplane. We can make a simple one using a 555 timer IC in astable mode. Follow the diagram below to construct it...

Diagram for LCD backplane clock

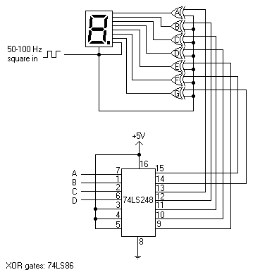
We will then need two 74LS86 exclusive-OR gate ICs to control the segments. One side of all of the gates gets the backplane clock, and the other side gets segment data from our decoder.

With a low in from the segment output, the output is in phase with the backplane, and therefore does not show a segment. But if we bring the segment output high, this shifts the gate output out of phase, allowing the segment to show itself.

See the circuit diagram below for reference on how to connect the display to the exclusive-OR gates.

Diagram for LCD circuit

With this setup, the decimal point is tied to the backplane clock, therefore keeping the segment turned off. You may connect the decimal point to another exclusive-OR gate to control it if you wish.