Nixie Circuitry



A word of warning before reading further: Nixie tubes require a 170 volt DC supply to light. Mishandling the high voltage line can lead to fatal injuries. Replicate any circuit with this display type at your own risk. Never let anyone under 14, over 50, or with a heart condition handle high voltage.

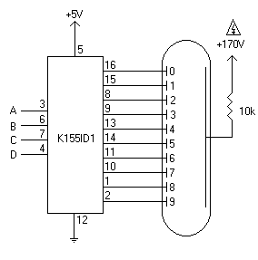
Lighting a nixie tube is very simple once you get a high enough voltage to supply to the tube. All you need to do is supply 170 volts DC positive to the anode grid through a 10k resistor and ground one of the ten numeral-shaped cathodes. Some nixie tubes have a decimal point or two, which can be useful in making floating-point displays.

Typically, the IC used to drive this type of display is the 74141. Since that IC is hard to find, we will use the K155ID1, its Russian equivalent. The CD4028 with MPSA42 transistors on the outputs will also work, but here we will focus on TTL logic to drive the tube. See the diagram below for a reference on how to wire the display tube to the IC...

Nixie tube interface with K155ID1

Please note from the warning that the tube takes a high voltage to light. Do not touch any live connections near the tube.