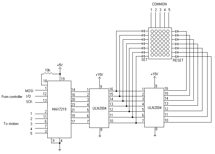
This is similar to driving a multiplexed vane display, except you have columns of rotating dots being controlled by a specialized IC. Since this is multiplexed, we will need five strobe circuits, connected to a set of five of the 555 pulse generators. Set the pulse width to 2 milliseconds by using a 2k resistor.
For dot data, we will need the MAX7219 programmable dot matrix display driver IC. We still need the ULN2004 IC to convert the data to set and reset arrays. Connect the segment outputs A through G to the ULN2004 set array as you would with a vane display. Connect the digit outputs 1 through 5 to the strobe circuits. Pins 1, 12, and 13 go to a microcontroller of your choice.
See the diagram below as a reference on how to wire the circuit.
Note: You will need to invert the strobe outputs, as they need a high signal to pulse.
To load a letter or number into the display, simply send data as provided in the table...
| Character | String 1 | String 2 | String 3 | String 4 | String 5 |
| A | 0x3F | 0x44 | 0x44 | 0x44 | 0x3F |
| B | 0x41 | 0x7F | 0x49 | 0x49 | 0x36 |
| C | 0x3E | 0x41 | 0x41 | 0x41 | 0x22 |
| D | 0x41 | 0x7F | 0x41 | 0x41 | 0x3E |
| E | 0x7F | 0x49 | 0x49 | 0x49 | 0x41 |
| F | 0x7F | 0x48 | 0x48 | 0x48 | 0x40 |
| G | 0x3E | 0x41 | 0x49 | 0x49 | 0x4F |
| H | 0x7F | 0x08 | 0x08 | 0x08 | 0x7F | I | 0x00 | 0x41 | 0x7F | 0x41 | 0x00 | J | 0x02 | 0x01 | 0x01 | 0x01 | 0x7E | K | 0x7F | 0x08 | 0x14 | 0x22 | 0x41 | L | 0x7F | 0x01 | 0x01 | 0x01 | 0x01 | M | 0x7F | 0x20 | 0x18 | 0x20 | 0x7F | N | 0x7F | 0x10 | 0x08 | 0x04 | 0x7F |
| O | 0x3E | 0x41 | 0x41 | 0x41 | 0x3E |
| P | 0x7F | 0x48 | 0x48 | 0x48 | 0x30 |
| Q | 0x3E | 0x41 | 0x45 | 0x42 | 0x3D |
| R | 0x7F | 0x48 | 0x4C | 0x4A | 0x31 |
| S | 0x31 | 0x49 | 0x49 | 0x49 | 0x06 |
| T | 0x40 | 0x40 | 0x7F | 0x40 | 0x40 |
| U | 0x7E | 0x01 | 0x01 | 0x01 | 0x7E |
| V | 0x7C | 0x02 | 0x01 | 0x02 | 0x7C |
| W | 0x7E | 0x01 | 0x0E | 0x01 | 0x7E |
| X | 0x63 | 0x14 | 0x08 | 0x14 | 0x63 |
| Y | 0x60 | 0x10 | 0x0F | 0x10 | 0x60 |
| Z | 0x43 | 0x45 | 0x49 | 0x51 | 0x61 |
| 0 | 0x3E | 0x41 | 0x41 | 0x3E | 0x00 |
| 1 | 0x00 | 0x21 | 0x7F | 0x01 | 0x00 |
| 2 | 0x21 | 0x43 | 0x45 | 0x49 | 0x31 |
| 3 | 0x02 | 0x41 | 0x49 | 0x59 | 0x66 |
| 4 | 0x0C | 0x14 | 0x24 | 0x7F | 0x04 |
| 5 | 0x72 | 0x51 | 0x51 | 0x51 | 0x4E |
| 6 | 0x1E | 0x29 | 0x49 | 0x49 | 0x06 |
| 7 | 0x40 | 0x47 | 0x48 | 0x50 | 0x60 |
| 8 | 0x36 | 0x49 | 0x49 | 0x49 | 0x36 |
| 9 | 0x30 | 0x49 | 0x49 | 0x4A | 0x3C |
| Space | 0x00 | 0x00 | 0x00 | 0x00 | 0x00 |
| Apost. | 0x00 | 0x00 | 0x60 | 0x00 | 0x00 |
| Plus | 0x08 | 0x08 | 0x3E | 0x08 | 0x08 |
| Minus | 0x08 | 0x08 | 0x08 | 0x08 | 0x08 |
This table gives you a basic 40-character set to work with. Enjoy displaying messages on the flip dot display!