Panaplex Circuitry



A word of warning before reading further: Panaplex displays require a 170 volt DC supply to light. Mishandling the high voltage line can lead to fatal injuries. Replicate any circuit with this display type at your own risk. Never let anyone under 14, over 50, or with a heart condition handle high voltage.

Panaplex displays are like a cross between a standard segmented display and a nixie tube — they have a segmented layout, but use neon gas to light the segments. Here we will learn how to build a driver for this type of display.

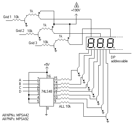
We will be using a multiplexed panaplex display for this circuit. For segment data, we can use a 74LS48 with MPSA42 transistors on the outputs, and for digit control we can use a dual-transistor setup — each digit gets an MPSA42 as a level shifter and an MPSA92 as a driver.

See the circuit diagram below for reference.

Panaplex drive diagram

Note that the voltage near the display is hazardous, and must not be handled while the circuit is live.