Numitron Circuitry



Numitron displays can be driven either in common anode or common cathode configuration, but it is recommended that you drive them like a common anode display. The only difference here is that you do not need current-limiting resistors — these displays are incandescent and can be directly driven from the 5 volt line.

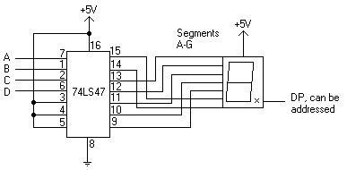
To set up your numitron circuit, first determine whether there is only one common pin or multiple common pins. If there are multiple common pins, connect all of them to the 5 volt positive rail. After connecting the display's common, connect the segments to a 74LS47. The decimal point can be addressed by an external signal if desired.

Numitron control circuit